您当前的位置:首页 > 产品中心 > 离心风机 > 产品详情
产品详情Products details
产品名称: C6-48系列排尘离心风机
广泛应用于排送含有尘埃、木质碎屑、细碎纤维等空气混合物的场所
详细信息:
一、特性及应用
C6-48型排尘离心风机主要由机壳、叶轮、电机、主轴、轴承箱、皮带轮、三角皮带等部件组成。具有排尘效果强、气动性能号、效率高、运转平稳等优点。
二、性能参数表
机号
NO.
转速
(r/min)
风量
(m3/h)
全压
(Pa)
内效率(kW)
重量(kg)
3.15C
1600
755
1066
1222
1377
1688
483
455
437
415
354
0.75
83
1800
850
1199
1374
1549
1899
611
576
554
525
448
0.75
83
2000
944
1333
1527
1721
2110
755
712
684
649
553
0.75
83
2240
1057
1493
1710
1928
2363
948
893
859
814
694
1.1
85
2500
1180
1666
1909
1181
1114
1070
1.1
85
2152
2637
1015
865
1.5
90
2800
1322
1866
2138
1483
1398
1344
1.5
90
2410
2954
1274
1086
2.2
92
3150
1487
2099
2711
1880
1772
1615
2.2
92
3017
3323
1507
1376
3
106
4C
1250
1184
1705
2227
2487
2748
481
450
410
380
345
0.75
115
1400
1326
1910
2494
2786
3077
603
565
514
477
433
0.75
115
1600
1516
2183
2850
789
739
672
1.1
116
3183
3517
624
565
1.5
121
1800
1705
2456
3206
3581
3957
999
935
851
790
716
1.5
121
6.3C
800
2843
4116
494
464
1.1
313
4857
5567
6900
443
417
350
1.5
316
900
3198
4631
625
588
1.5
316
5464
7096
7762
561
487
443
2.2
330
1000
3554
5145
6071
772
726
693
2.2
330
6959
8625
651
547
3
334
1120
3980
5763
7794
969
911
818
3
334
8831
9660
755
686
4
339
1250
4442
6432
7588
1208
1136
1085
4
339
8699
10781
1019
855
5.5
364
1400
4975
7204
8499
1517
1427
1362
5.5
364
9743
12074
1279
1073
7.5
430
1600
5686
8233
1985
1866
7.5
430
9713
11134
13799
1782
1673
1403
11
414
8C
630
4584
6637
8977
10171
11126
494
464
417
385
350
2.2
718
710
5166
7480
8826
10117
12539
627
590
563
529
444
3
722
800
5821
8429
797
749
3
722
9944
12915
14128
716
621
564
4
727
900
6549
9482
12824
1009
949
851
5.5
752
14530
15894
786
714
7.5
765
1000
7276
10535
14249
16144
17660
1247
1173
1052
971
882
7.5
765
1120
8150
9763
1566
1526
7.5
965
11799
15959
19779
1472
1321
1108
11
802
1250
9096
13169
17812
20180
22075
1953
1837
1647
1521
1381
15
820
机号
NO.
转速
(r/min)
风量
(m3/h)
全压
(Pa)
内效率(kW)
重量(Kg)
4C
2000
1895
2729
3562
3979
4396
1234
1156
1052
976
884
2.2
123
2240
2122
2589
1550
1505
2.2
123
3056
3990
4457
4924
1451
1321
1225
1110
3
137
2500
2369
3411
1933
1810
3
137

4453
4974
5495

1647
1527
1384
4
149
5C
1000
1776
2572
3035
486
457
436
0.75
155
3479
4312
410
344
1.1
156
1120
1990
2881
3896
610
573
514
1.1
156
4415
4829
475
432
2.2
163
1250
2221
3215
4349
760
715
641
2.2
163
4927
5390
592
538
2.2
163
1400
2487
3601
4871
5518
6036
954
897
805
743
675
2.2
163
1600
2842
4116
5566
6307
6899
1247
1173
1052
971
882
3
177
1800
3198
4630
6262
1580
1486
1332
4
189
7095
7761
1230
1118
5.5
212
2000
3553
5144
6958
1953
1837
1647
5.5
208
7883
8623
1521
1381
7.5
214
10C
500
7402
11028
14581
16432
18208
508
473
415
381
344
4
851
560
8290
12352
16331
638
593
521
4
851
18404
20393
478
432
5.5
874
630
9327
13896
18373
807
751
659
5.5
874
20704
22943
605
547
7.5
887
710
10510
15661
20706
1026
955
838
7.5
887
23334
25856
769
695
11
930
800
11843
17646
23331
1034
1213
1065
11
930
26291
29134
978
882
15
953
900
13323
19852
23049
1653
1537
1445
15
953
26247
32776
1349
1118
18.5
979
1000
14804
22057
2043
1900
18.5
979
25610
32864
36417
1787
1530
1381
22
219
12.5C
400
11565
17232
20008
508
473
445
4
1354
22784
28451
415
344
5.5
1392
450
13011
19386
643
598
5.5
1379
22509
28885
32007
563
482
436
7.5
1392
500
14457
21540
25010
795
739
695
7.5
1392
28480
35564
649
538
11
1435
560
16191
24125
28010
997
928
873
11
1435
31897
39832
814
675
15
1458
630
18215
27141
31513
1264
1175
1105
15
1458
35885
44811
1031
855
18.5
1484
710
20528
30588
35515
1607
1494
1405
22
1508
40442
50501
1311
1087
30
1566
800
23131
34465
2043
1900
30
1566
40017
51351
56902
1787
1530
1381
37
1595

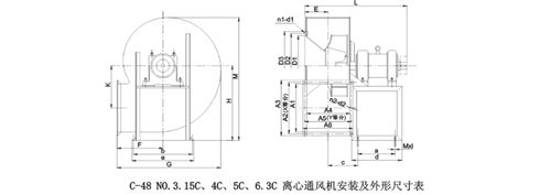
三、C6-48离心通风机安装及外形尺寸


机号
进风口尺寸
出风口尺寸
D1
D2
D3
n1×d1
A1
A2
A3
A4
A5
A6
X
Y
n2×d2
3.15
250
280
310
8×10
202
236
258
157
189
212
4
3
14×7
4
315
366
385
8×12
256
290
312
199
231
254
4
3
14×7
5
400
450
490
12×12
324
360
382
252
284
308
5
4
18×7
6.3
500
560
610
12×12
409.5
447
471.5
315
348
371
5
4
18×7

外形尺寸
基础尺寸
地脚螺栓
E
F
H
G
K
M
L
a
b
c
d
e
M×1
108
197
360
466
211.7
588
600
250
318
121
330
354
M12×300
132
248
460
588
268.5
748
728
298
390
147
388
430
M16×400
159
312
560
741
340
924
781
285
474
179
385
524
M16×400
187
392
760
933
425.5
1218
1013
375
600
220.5
495
656
M20×500



机号
进风口尺寸
出风口尺寸
D1
D2
D3
n1×d1
A1
A2
A3
A4
A5
A6
X
Y
n2×d2
8
630
690
740
12×12
520
580
636
400
462
509
5
4
18×15
10
500
860
910
16×12
655
728
771
504
570
613
7
5
24×15
12.5
100
1070
1130
16×15
815
888
935
627
690
737
8
6
28×15
外形尺寸
基础尺寸
E
F
G
K
M
H
L
a
b
c
d
e
f
g
236
495
1178
540
1574
280
1404
520
440
177.5
590
510
479
537
296
623
1483
680.5
1944
280
1508
520
440
170
590
510
583
641
373
774
1844
846.5
2372
375
1848
700
620
210
780
700
707
765
机号
轴承底座脚螺栓(4套)
机壳底脚螺栓(4套)
右0°
右45°
M1×L1
M2×L2
N
I
J
N
I
J
8
M24×630
M20×500
900
350
400
800
400
400
10
M24×630
M20×500
1120
450
500
1025
500
500
12.5
M30×800
M20×500
1370
600
600
1270
600
600

右90°
右135°
右180°
右225°
N
I
J
N
I
J
N
I
J
N
I
J
740
400
350
680
400
350
640
400
350
640
420
420
945
500
500
880
500
500
615
500
500
760
500
500
1170
660
600
1088
660
600
1007
660
600
937
660
600


Copyright © 绍兴市上虞明天风阀成套设备有限公司版权所有